وصلة توزيع وزن وحدة الرفع
      
                تجميع وحدة الرفع وصلة توزيع الوزن || - جزء لـ وصلة توزيع الوزن ، باستخدام ||| القطع ، الانحناء ، لحام البرشام وغيرها من العمليات المتقدمة ، صنعة ممتازة تضمن الجودة والسلامة.
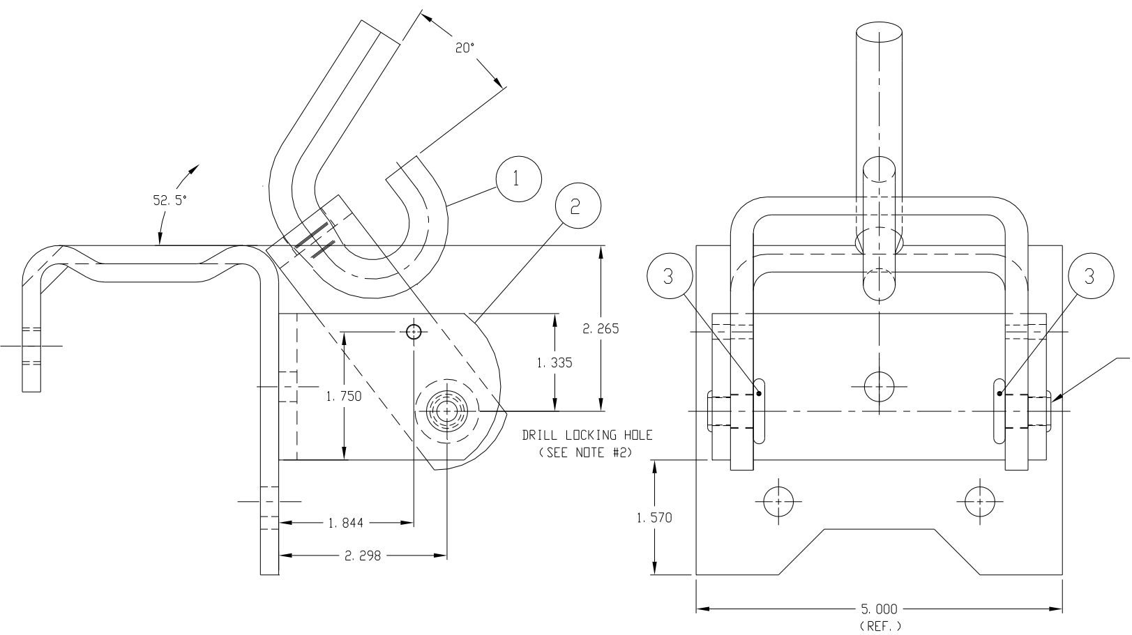
Lift unit assembly weight distribution hitch -استخدم مفرط، متطرف، متهور بخير 1020 فولاذ وسمك 6.35 مم جسم brecket أن تعطي a 1/2 "-13 bolt and 5/16" سلسلة قطرها. تكتيكات بما في ذلك القطع والانحناء والتثبيت واللحام و مختلف طُرق تم التحقق من صحتها في المرحلة المبكرة ، ثبت معقول ، و بشكل متواصل حتى الآن وتحسينها. يمكن أن يفي بك الضروريات من أجل مفرط، متطرف، متهور الجودة ، مرحبا بكم في الاستفسار.
Descriptin على النحو التالي-
قوس الرفع لوصلة توزيع الوزن || -
عمليات ومعدات القطع والتشغيل واللحام المتقدمة يضمن جودة دعامة الرفع لوصلة توزيع الوزن ||| | -
قوس الرفع لوصلة توزيع الوزن || |||. ||| -
آلة اختبار الشد ، آلة اختبار التأثير ، آلة اختبار الصلابة ، آلة اختبار رش الملح ، كاشف اللحام وغيرها من معدات الاختبار تضمن بشكل فعال جودة المنتجات. يتم تعيين المفتشين لكل عملية من شراء المواد الخام إلى التعبئة والتغليف والتسليم. اختبر المنتجات بشكل منتظم على دفعات.
قوس الرفع لوصلة توزيع الوزن -
يضمن خط التعبئة الأوتوماتيكي ، تجربة التعبئة الغنية ، سلامة النقل لقوس الرفع لربط توزيع الوزن |
مصنعنا - المساحة الإجمالية 60.000 متر مربع ، معدات الإنتاج الرئيسية أكثر من 100 مجموعة-
مصنع جميل مثل الحديقة-
على مدار الستين عامًا الماضية ، فزنا بثقة واحترام عملائنا من خلال جودة منتجاتنا الممتازة و سمعة-
شهادتنا-

                                            
                                                                                        
                                        
                                            
                                                                                        
                                        
                                            
                                                                                        
                                        







