عرقوب لوصلة توزيع الوزن
      
                شانك لـ وصلة توزيع الوزن - جزء وصلة ربط توزيع الوزن ، ومناسبة لجميع أنواع وصلة توزيع الوزن ، فولاذ كربوني عالي الجودة ، صنعة ممتازة تضمن الجودة والسلامة.
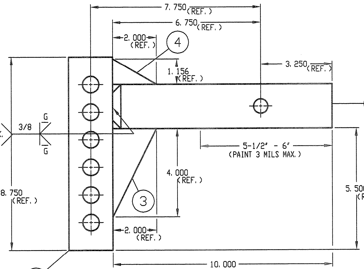
عرقوب توزيع الوزن مصنوع من جودة عالية 1020 ، معيار 50.8mmx50.8mm شريط فولاذي مربع ، لوح تقوية نحيف أعلى وأسفل 8 مم. يمكن تصنيع طول الفولاذ وموقع الثقب حسب الطلب وفقًا لطلبك.
الوصف على النحو التالي-
شانك لـ وصلة توزيع الوزن ||| -
عمليات ومعدات القطع والتشغيل واللحام المتقدمة يضمن جودة وصلة ربط توزيع وزن القضيب المستدير-
شانك لـ وصلة توزيع الوزن ||| |||. ||| -
آلة اختبار الشد ، آلة اختبار التأثير ، آلة اختبار الصلابة ، آلة اختبار رش الملح ، كاشف اللحام وغيرها من معدات الاختبار تضمن بشكل فعال جودة المنتجات. يتم تعيين المفتشين لكل عملية من شراء المواد الخام إلى التعبئة والتغليف والتسليم. اختبر المنتجات بشكل منتظم على دفعات.
شانك لـ وصلة توزيع الوزن ||| -
يضمن خط التعبئة الأوتوماتيكي ، تجربة التعبئة الغنية ، سلامة النقل في وصلة ربط توزيع وزن القضيب المستدير-
مصنعنا - المساحة الإجمالية 60.000 متر مربع ، معدات الإنتاج الرئيسية أكثر من 100 مجموعة-
مصنع جميل مثل الحديقة-
على مدار الستين عامًا الماضية ، فزنا بثقة واحترام عملائنا من خلال جودة منتجاتنا الممتازة و سمعة-
شهادتنا-

                                            
                                                                                        
                                        
                                            
                                                                                        
                                        







